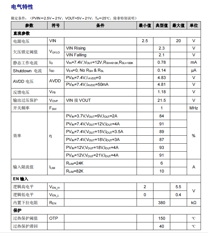
输入电压范围:2.5V – 20V
输入限流可调,最大 12A
输出电压可调,最高升压 21V
高转换效率:
91%(PVIN=12V,VOUT=21V,IOUT=4A)
93%(PVIN=12V,VOUT=18V,IOUT=4A)
87%(PVIN=7.4V,VOUT=18V,IOUT=3A)
91%(PVIN=7.4V,VOUT=12V,IOUT=4A)
开关频率:1MHz
低静态电流,低关断电流
内置过热保护,逐周期过流保护,输出过压保护(VIN 由 VOUT 供电时)
无铅无卤封装,ESOP8