
氛围补光灯视觉效果图

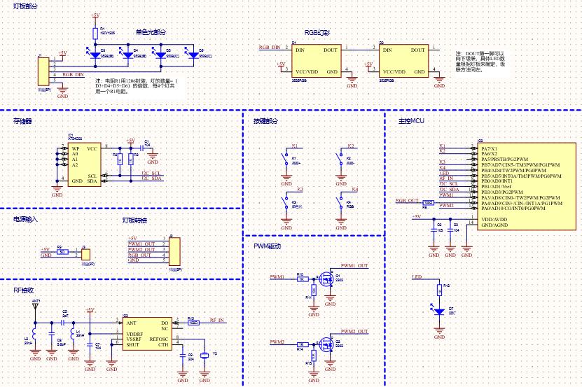
氛围补光灯原理图V1.0

遥控器布局
典型应用-LED氛围补光灯(网红灯)
功能描述:
内部由多块半环形灯板组成,圆形亚克力磨砂外壳,通过开关和遥控器操作实现18种补光和绚丽幻彩效果,主要应用于网络直播行业。
主要模式:
RGB灯珠七彩自动渐变、七彩跑马渐变、二彩跑马、三彩跑马、四彩跑马、六彩跑马、白色光、绿色光、红色光、蓝色光、黄色光、紫色光、青色光、绿色快闪、红色快闪、蓝色快闪、红蓝快闪、七彩快闪。
技术参数:
供电电压:DC5V(USB接口);静态功耗;

更多内容请关注k8凯发技术公众号