基于TX4101设计的DC-DC降压恒流芯片DEMO说明
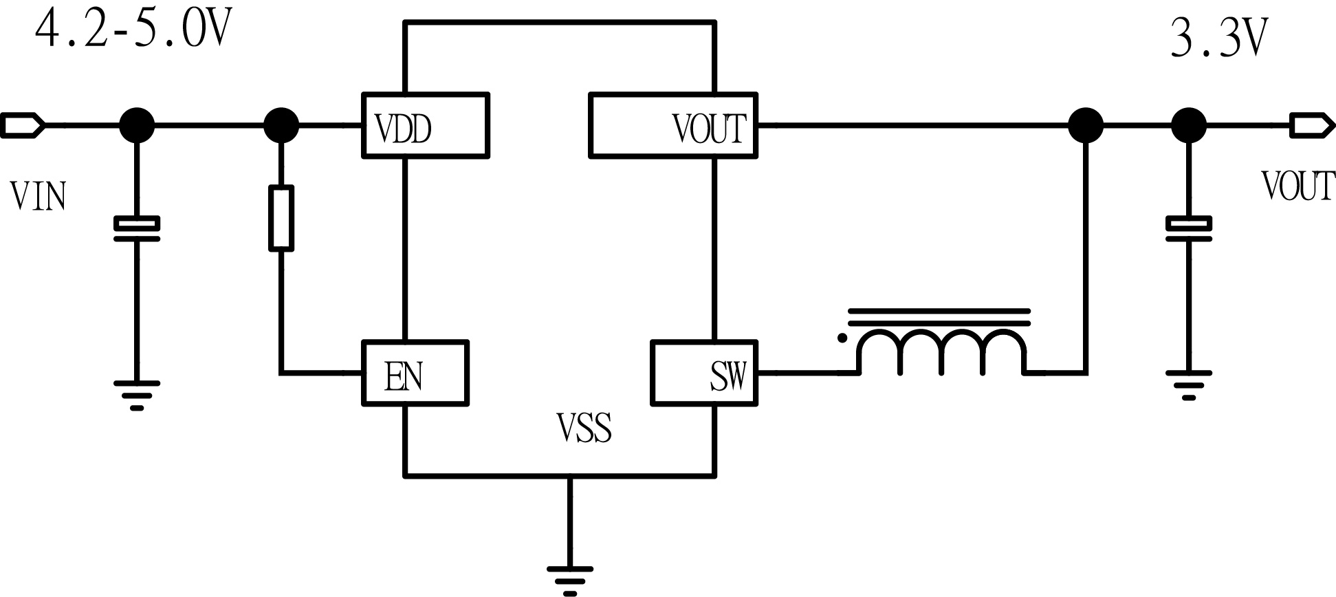
基本描述: 本 DEMO 为 TX4101 制作的演示板,用于 DC 输入4.2-5.0V,输出电压 3.3V,输出电流 600mA 的应用演示,最高转换效率高达 93%。 本电路固定工作频率是:1MHz。输出 3.3V/600mA 。

TX4101设计的DC-DC降压恒流芯片DEMO原理图

TX4101设计的DC-DC降压恒流芯片PCB图

TX4101设计的DC-DC降压恒流芯片DEMO测量

TX4101设计的DC-DC降压恒流芯片DEMO测量