基于k8凯发TX4208设计的DC-DC开关升压恒压芯片DC开关电源DEMO说明

来源:k8凯发 时间:2022-05-13

基于k8凯发TX4208设计的DC-DC开关升压恒压芯片DC开关电源DEMO说明

基本描述:

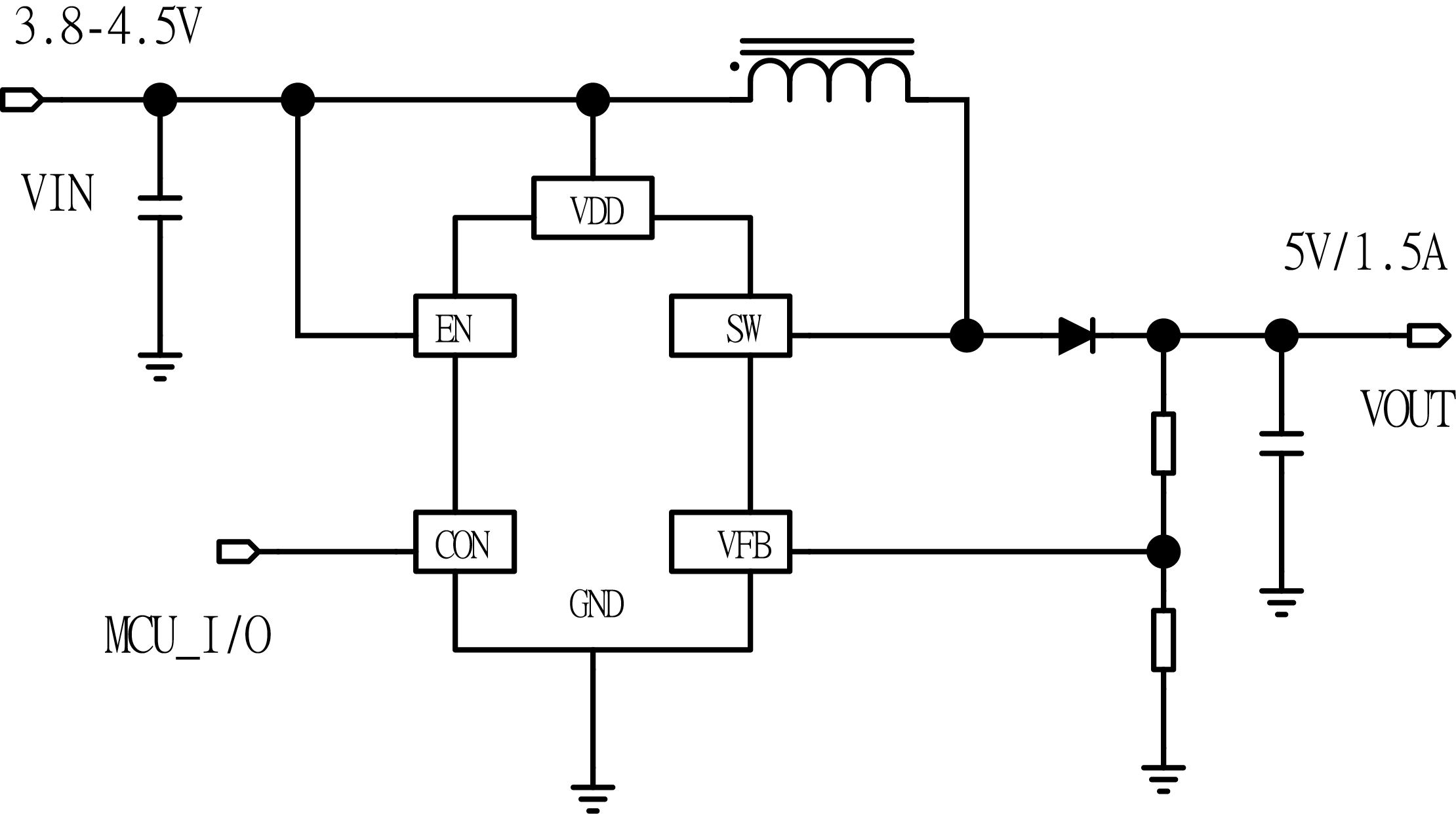
本 DEMO 为 TX4208 制作的演示板,用于 DC 输入 3.8-4.5V,输出电压5V,

输出电流 1.5A 的应用演示,最高转换效率高达 84%。

本电路固定工作频率是:1.28-1.37MHz。输出 5V/1.5A 。


TX4208电路原理图

TX4208电路原理图


TX4208电路板

TX4208电路板


k8凯发TX4208设计的DC-DC开关升压恒压芯片


k8凯发TX4208设计的DC-DC开关升压恒压芯片