TX4121是一款开关降压型同步整流 DC-DC 芯片
TX4121 集成了一个36V/79mΩ 高侧 MOSFET 和一个 36V/62mΩ 低MOSFET,宽输入工作电压6.5V 至 36V 能提供 3.1A 的连续负载电流输出,并具有 33V 输入过压保。

峰值电流模式控制提供快速的瞬态响应和逐周期限流。可编程软启动可防止上电时的浪涌电流。

采用低 ESR 陶瓷输出电容即可稳定工作,输入欠压锁定,输入过压保护,防止设备在高输入电压下工作,输出过压保护,输出短路保护,同时具有高低端电流限制来保护设备。

芯片采用 ESOP8 封装。

TX4121是一款开关降压型同步整流 DC-DC 芯片
输入电压:6.5-33V
输出电压:5V
输出电流:3.1A
工作频率:300KHz
工作效率:95%
芯片封装:ESOP-8


 

TX4121是一款开关降压型同步整流 DC-DC 芯片

数字通信
XDSL调制解调器
分布式电源
USB充电
便携式设备
机顶盒、电视

 

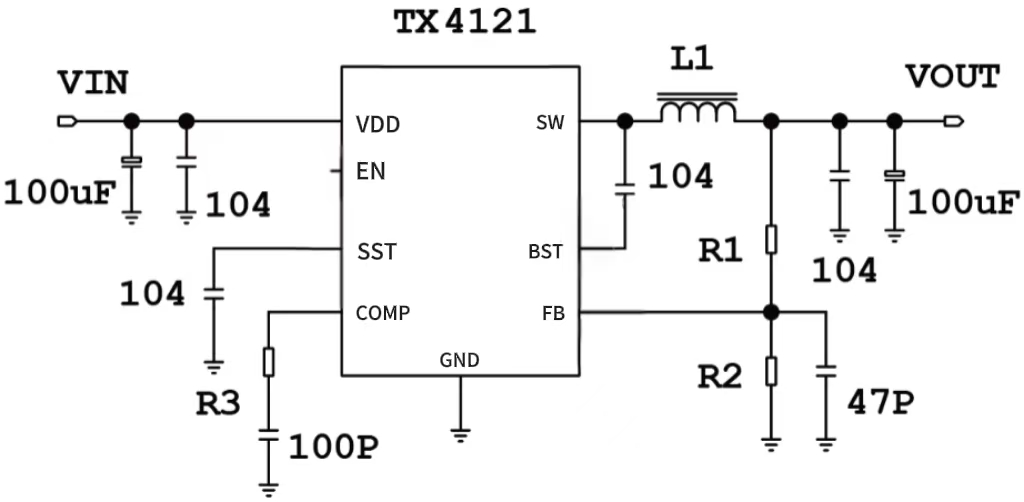
TX4121 DEMO 板应用原理图:



TX4121 DEMO 板 PCB图



TX4121 输出电压计算器: